This page needs JavaScript activated to work. Pala Spazzaneve con attacco Merlo - mod. SSH-04-3.0-MERLO
SPEDIZIONI GRATUITE IN TUTTA SVIZZERA

L'evasione dell’ordine è stimata in circa 10–15 giorni, con avviso telefonico alla partenza della merce. Si accettano visite in sede su appuntamento.

Chuck Norris ti offre 5% SCONTO dal secondo prodotto VEDI DETTAGLI

Loading...

Pala Spazzaneve con attacco Merlo - mod. SSH-04-3.0-MERLO

4.6

1357 recensioni

Non disponibile Avvisami
COD. SSH0430ME
EAN 8053470231803
Visualizza tutti i dettagli.
TOTALE 5.047,00(4.629,61 CHF)IVA escl.
Spedizione Gratis!

DETTAGLI

Pala da neve omologata da 3.0m DELEKS® con attacco specifico per MERLO - 3 settori indipendenti - orientamento idraulico.


APPLICAZIONE

Lama da neve omologata SSH-04-3.0-MERLO con attacco per Merlo. Oppure forniamo una piastra piena liscia, per personalizzazioni successive. 2 tubi idraulici da 1,6m, 2 Piedini di stazionamento, Coppia luci di ingombro. Conforme alla direttiva CE macchine. Garanzia 2 anni.

 

VANTAGGI

Sistema antiurto con 6 ammortizzatori per operare in massima sicurezza.

3 elementi raschianti indipendenti in ferro (o gomma).

Orientamento idraulico composto da 2 pistoni oleodinamici.

Sistema di oscillazione laterale che permette una perfetta aderenza al manto stradale.

Estrema semplicità di montaggio e di utilizzo.

Coppia ruote regolabili, facilitano il lavoro, riducendo la pressione sul tagliente, soprattutto in superfici mobili come i parcheggi in ghiaia.

L’attacco è rimovibile, e sostituibile con attacco MANITOU, o piastrone liscio 1200*600.0 mm, oppure attacco a 3 punti, o EURO.

Omologata per uso su strada.

 


Nota: la destinazione deve essere accessibile a un bilico (24Ton) . Il cliente deve essere munito di muletto per lo scarico del pallet.


CARATTERISTICHE

Caratteristica Unità metrica
Peso 500.0 kg
Altezza totale 880.0 mm
Profondità totale 900.0 mm
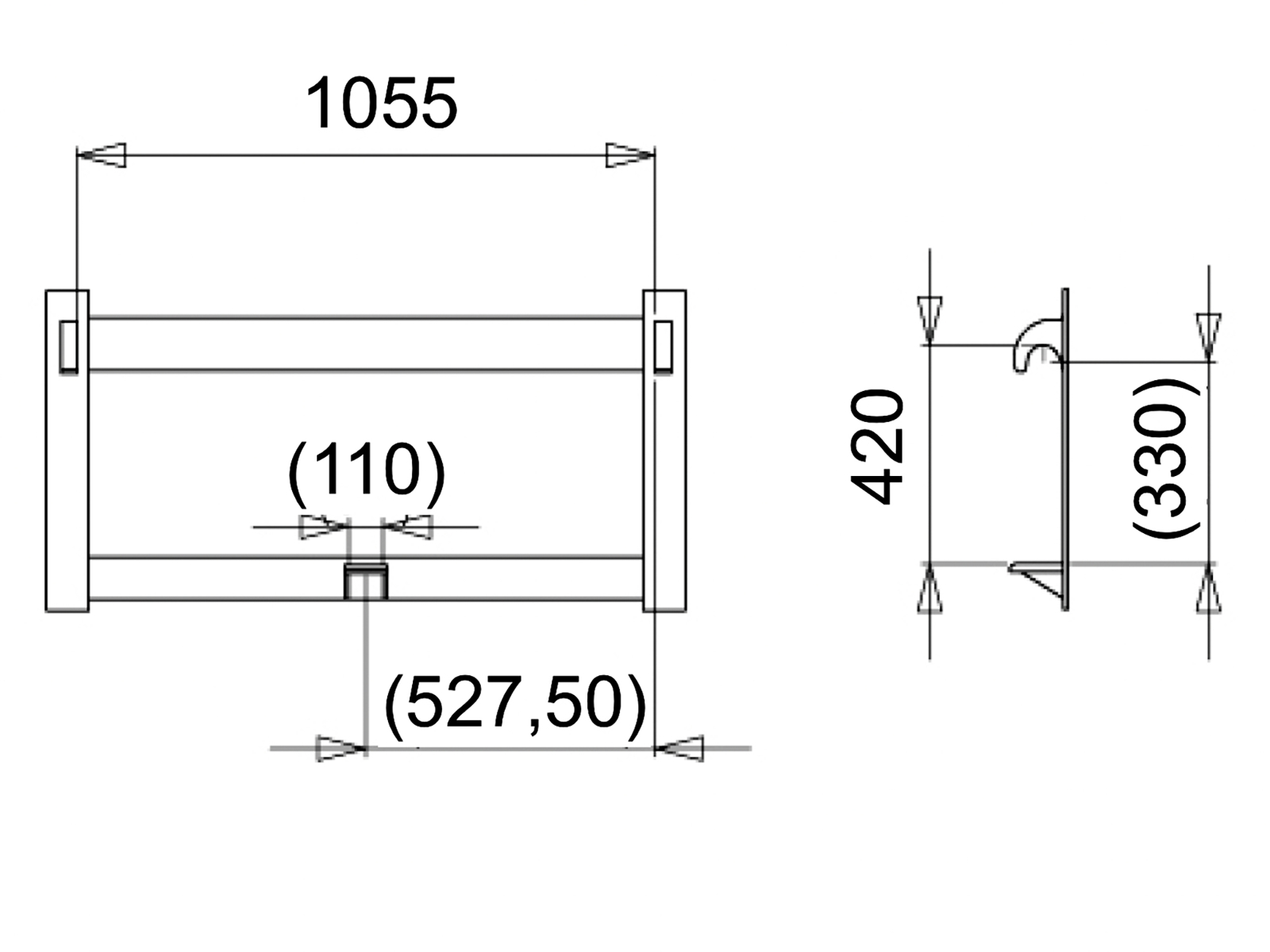
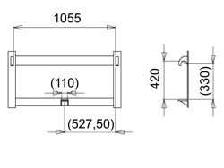
Misure attacco Vedi immagini
Pressione di esercizio 110 - 150 bar
Flusso ottimale dell'olio 18 - 22 l/min
Attacco MERLO
Inclinazione 25°
Fluttuazione */- 4°
Altezza lama 880.0 mm
Spessore rinforzi laterali 7.0 mm
Ammortizzatori 6
Tagliente Acciaio o gomma
Tagliente: altezza 200.0mm / 180.0mm
Tagliente: spessore 20.0mm / 55.0mm
Tagliente: numero corpi 3
Lama: distanza bulloni di fissaggio 175.0 mm
Luci di ingombro
Slitte laterali Ruote pivottanti
Larghezza lama (inclinata) 2600.0 mm
Compatibilità MERLO
Tubi idraulici 2x1600.0 mm / innesti 1.2" AGRI, WP-400 bar
Larghezza Lama 3000.0 mm
Spessore lama 4.0 mm
ø pistone/i 73.0/36.0 mm
Misure imballo per spedizione 3000*1000*1000 mm

Schede tecniche

Drawings   Scarica PDF
DETTAGLI
CARATTERISTICHE
Schede tecniche

DETTAGLI

CHIUDI

Pala da neve omologata da 3.0m DELEKS® con attacco specifico per MERLO - 3 settori indipendenti - orientamento idraulico.


APPLICAZIONE

Lama da neve omologata SSH-04-3.0-MERLO con attacco per Merlo. Oppure forniamo una piastra piena liscia, per personalizzazioni successive. 2 tubi idraulici da 1,6m, 2 Piedini di stazionamento, Coppia luci di ingombro. Conforme alla direttiva CE macchine. Garanzia 2 anni.

 

VANTAGGI

Sistema antiurto con 6 ammortizzatori per operare in massima sicurezza.

3 elementi raschianti indipendenti in ferro (o gomma).

Orientamento idraulico composto da 2 pistoni oleodinamici.

Sistema di oscillazione laterale che permette una perfetta aderenza al manto stradale.

Estrema semplicità di montaggio e di utilizzo.

Coppia ruote regolabili, facilitano il lavoro, riducendo la pressione sul tagliente, soprattutto in superfici mobili come i parcheggi in ghiaia.

L’attacco è rimovibile, e sostituibile con attacco MANITOU, o piastrone liscio 1200*600.0 mm, oppure attacco a 3 punti, o EURO.

Omologata per uso su strada.

 


Nota: la destinazione deve essere accessibile a un bilico (24Ton) . Il cliente deve essere munito di muletto per lo scarico del pallet.


CARATTERISTICHE

CHIUDI
Caratteristica Unità metrica
Peso 500.0 kg
Altezza totale 880.0 mm
Profondità totale 900.0 mm
Misure attacco Vedi immagini
Pressione di esercizio 110 - 150 bar
Flusso ottimale dell'olio 18 - 22 l/min
Attacco MERLO
Inclinazione 25°
Fluttuazione */- 4°
Altezza lama 880.0 mm
Spessore rinforzi laterali 7.0 mm
Ammortizzatori 6
Tagliente Acciaio o gomma
Tagliente: altezza 200.0mm / 180.0mm
Tagliente: spessore 20.0mm / 55.0mm
Tagliente: numero corpi 3
Lama: distanza bulloni di fissaggio 175.0 mm
Luci di ingombro
Slitte laterali Ruote pivottanti
Larghezza lama (inclinata) 2600.0 mm
Compatibilità MERLO
Tubi idraulici 2x1600.0 mm / innesti 1.2" AGRI, WP-400 bar
Larghezza Lama 3000.0 mm
Spessore lama 4.0 mm
ø pistone/i 73.0/36.0 mm
Misure imballo per spedizione 3000*1000*1000 mm

Schede tecniche

CHIUDI
Drawings   Scarica PDF

Optional

2 ammortizzatori sgombraneve SSH-04/LNV-315
Prezzo speciale optional. -22,60(20,18 CHF) 226,00(207,31 CHF)IVA escl. 203,40(186,21 CHF)IVA escl.
Disponibile

SSH-04/LNV-315

Lama acciaio SSH-04 3.0 ricambio per sgombraneve
Prezzo speciale optional. -55,00(50,45 CHF) 550,00(504,52 CHF)IVA escl. 495,00(454,06 CHF)IVA escl.
Disponibile

SSH-04 3.0 HARDOX

Lama gomma SSH-04-3.0 ricambio per sgombraneve
Prezzo speciale optional. -45,80(41,28 CHF) 458,00(420,12 CHF)IVA escl. 412,20(377,93 CHF)IVA escl.
Disponibile

SSH-04-3.0

Luci SSH/LNV-315 di ricambio per sgombraneve
Prezzo speciale optional. -13,30(11,92 CHF) 133,00(122,00 CHF)IVA escl. 119,70(109,16 CHF)IVA escl.
Disponibile

SSH/LNV-315

Ruotino SSH/LNV-315 di ricambio per sgombraneve
Prezzo speciale optional. -17,60(15,59 CHF) 176,00(161,44 CHF)IVA escl. 158,40(144,93 CHF)IVA escl.
Disponibile

SSH/LNV-315

Supporto ruotino SSH/LNV-315 di ricambio
Prezzo speciale optional. -6,80(5,50 CHF) 68,00(62,38 CHF)IVA escl. 61,20(55,96 CHF)IVA escl.
Disponibile

SSH/LNV-315

2 ammortizzatori sgombraneve SSH-04/LNV-315
Prezzo speciale optional. -22,60(20,18 CHF) 226,00(207,31 CHF)IVA escl. 203,40(186,21 CHF)IVA escl.
Disponibile

SSH-04/LNV-315

Lama acciaio SSH-04 3.0 ricambio per sgombraneve
Prezzo speciale optional. -55,00(50,45 CHF) 550,00(504,52 CHF)IVA escl. 495,00(454,06 CHF)IVA escl.
Disponibile

SSH-04 3.0 HARDOX

Lama gomma SSH-04-3.0 ricambio per sgombraneve
Prezzo speciale optional. -45,80(41,28 CHF) 458,00(420,12 CHF)IVA escl. 412,20(377,93 CHF)IVA escl.
Disponibile

SSH-04-3.0

Luci SSH/LNV-315 di ricambio per sgombraneve
Prezzo speciale optional. -13,30(11,92 CHF) 133,00(122,00 CHF)IVA escl. 119,70(109,16 CHF)IVA escl.
Disponibile

SSH/LNV-315

Ruotino SSH/LNV-315 di ricambio per sgombraneve
Prezzo speciale optional. -17,60(15,59 CHF) 176,00(161,44 CHF)IVA escl. 158,40(144,93 CHF)IVA escl.
Disponibile

SSH/LNV-315

Supporto ruotino SSH/LNV-315 di ricambio
Prezzo speciale optional. -6,80(5,50 CHF) 68,00(62,38 CHF)IVA escl. 61,20(55,96 CHF)IVA escl.
Disponibile

SSH/LNV-315

Recensioni

Cosa dicono di noi i nostri clienti