DELEKS S.r.l.
Via Industriale, 23
25028 Verolanuova (BS) Italy
Tel. 030 6585725
Mail info@deleks.com
Lun - Ven: 9.00-13.00 / 14.00-18.00
Cesoia Forestale idraulica per miniescavatori o gru forestale - 100% HARDOX
DETTAGLI
Pinza + Cesoia idraulica abbattitrice DELEKS® - produzione italiana - 100% Hardox, lama in acciaio temprato, per il taglio e movimentazione di tronchi e alberi fino a ø cm 10.
APPLICAZIONE
Cesoia Forestale professionale adatta per miniescavatori fino a 20 Qli e caricatori forestali.
Deforestazione: taglio e rimozione di alberi, rami e cespugli lungo i bordi del campo e gli argini dei fiumi, nei parchi. Per il taglio di piante da biomassa, in generale per lavori di diradamento.
La pinza idraulica mantiene salda la pianta una volta tagliata per poterla movimentare in sicurezza e accatastarla.
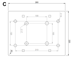
Misure attacco piastra: Vedi disegno C.
SU RICHIESTA:
Rotore flangiato piatto GR30FF con portata 30Qli
VANTAGGI
Realizzata al 100% in HARDOX 450 SSAB per una resistenza massima alle torsioni.
Coltello Made in Italy temprato a cuore 43 HRC.
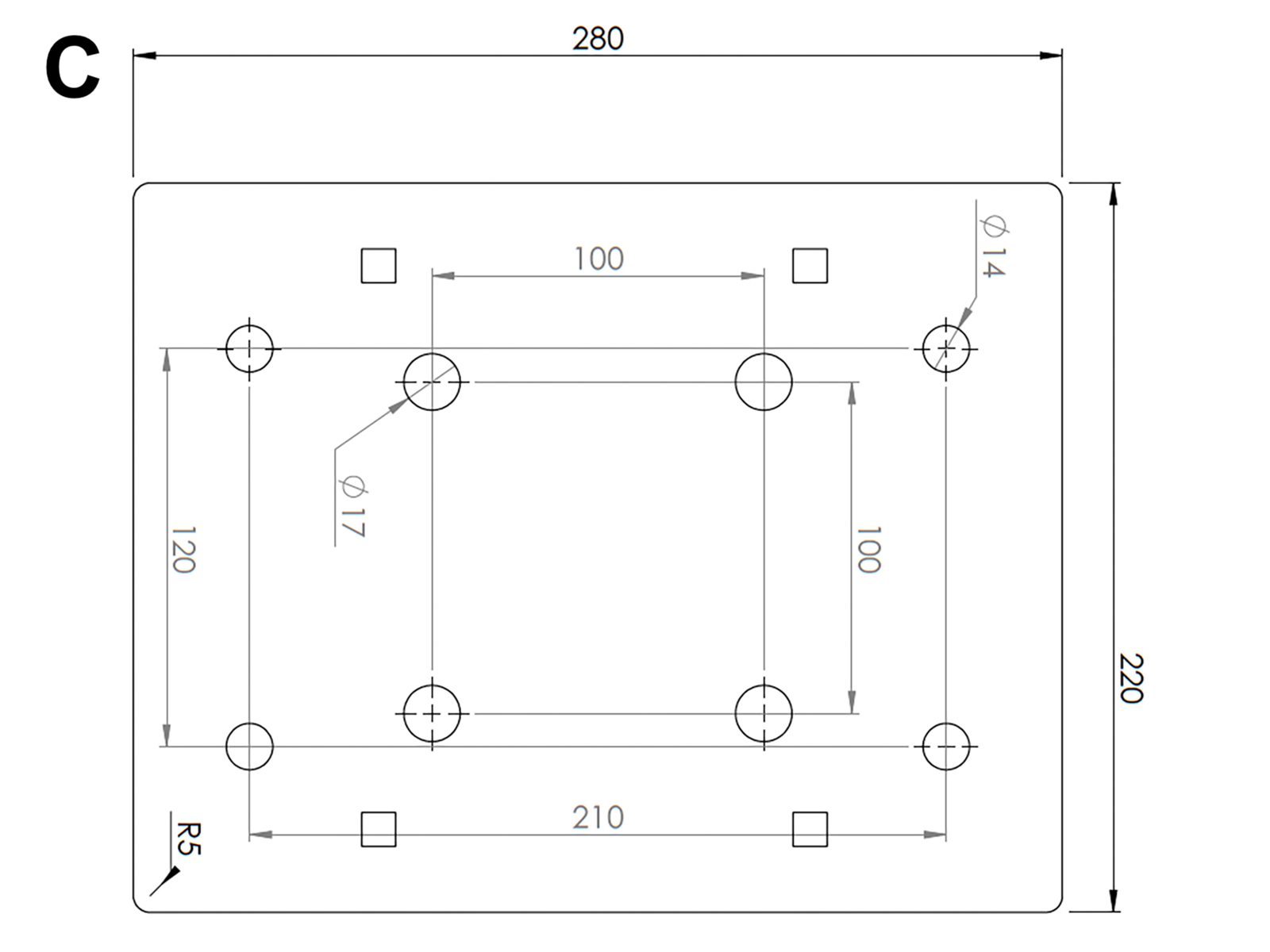
Cilindro idraulico disegnato appositamente per questo impiego con fondello rinforzato per alti carichi (vedi disegno A).
Perni in materiale speciale 42CrMo4 da ø30 e ø35 mm (vedi disegno B).
2-in-1: taglio e caricamento: se necessario, la lama di taglio può essere rimossa, nel qual caso la cesoia per alberi funge da pinza per legno.
CF-10 è la cesoia più piccola della gamma e non richiede troppo olio al miniescavatore.
Taglio a livello del suolo> ceppo basso: DELEKS® CF-10 taglia il legno in modo ordinato e preciso nel punto desiderato e la sua ergonomia permette che i ceppi vengano tagliati in basso, anche a livello del suolo.
È semplice da collegare e utilizzare.
Per questo prodotto la lamiera viene acquistata in Italia e lavorata presso uno stabilimento produttivo sito nell’Unione Europea.
CARATTERISTICHE
| Caratteristica | Unità metrica |
|---|---|
| Peso | 52.0 kg |
| Diametro del tronco | 90-120 mm |
| Pressione di esercizio | 150 - 210 bar |
| Flusso ottimale dell'olio | 08/22 l/m |
| Apertura massima | 540.0 mm |
| ø cilindro idraulico | 80.0 - 35.0 mm |
| Range Miniescavatori | 10 - 20 q.li |
| Misure imballo per spedizione | 600.0*800.0*450.0 mm |
DETTAGLI
CHIUDIPinza + Cesoia idraulica abbattitrice DELEKS® - produzione italiana - 100% Hardox, lama in acciaio temprato, per il taglio e movimentazione di tronchi e alberi fino a ø cm 10.
APPLICAZIONE
Cesoia Forestale professionale adatta per miniescavatori fino a 20 Qli e caricatori forestali.
Deforestazione: taglio e rimozione di alberi, rami e cespugli lungo i bordi del campo e gli argini dei fiumi, nei parchi. Per il taglio di piante da biomassa, in generale per lavori di diradamento.
La pinza idraulica mantiene salda la pianta una volta tagliata per poterla movimentare in sicurezza e accatastarla.
Misure attacco piastra: Vedi disegno C.
SU RICHIESTA:
Rotore flangiato piatto GR30FF con portata 30Qli
VANTAGGI
Realizzata al 100% in HARDOX 450 SSAB per una resistenza massima alle torsioni.
Coltello Made in Italy temprato a cuore 43 HRC.
Cilindro idraulico disegnato appositamente per questo impiego con fondello rinforzato per alti carichi (vedi disegno A).
Perni in materiale speciale 42CrMo4 da ø30 e ø35 mm (vedi disegno B).
2-in-1: taglio e caricamento: se necessario, la lama di taglio può essere rimossa, nel qual caso la cesoia per alberi funge da pinza per legno.
CF-10 è la cesoia più piccola della gamma e non richiede troppo olio al miniescavatore.
Taglio a livello del suolo> ceppo basso: DELEKS® CF-10 taglia il legno in modo ordinato e preciso nel punto desiderato e la sua ergonomia permette che i ceppi vengano tagliati in basso, anche a livello del suolo.
È semplice da collegare e utilizzare.
Per questo prodotto la lamiera viene acquistata in Italia e lavorata presso uno stabilimento produttivo sito nell’Unione Europea.
CARATTERISTICHE
CHIUDI| Caratteristica | Unità metrica |
|---|---|
| Peso | 52.0 kg |
| Diametro del tronco | 90-120 mm |
| Pressione di esercizio | 150 - 210 bar |
| Flusso ottimale dell'olio | 08/22 l/m |
| Apertura massima | 540.0 mm |
| ø cilindro idraulico | 80.0 - 35.0 mm |
| Range Miniescavatori | 10 - 20 q.li |
| Misure imballo per spedizione | 600.0*800.0*450.0 mm |
Français
Deutsch
